TV Fool

TV Fool (http://forum.tvfool.com/index.php)
-   Enthusiast's Exchange (http://forum.tvfool.com/forumdisplay.php?f=16)
-   -   As Built - Long Distribution Runs w/MoCA (http://forum.tvfool.com/showthread.php?t=13659)

GroundUrMast 18-Sep-2013 10:20 AM

As Built - Long Distribution Runs w/MoCA
 
3 Attachment(s)
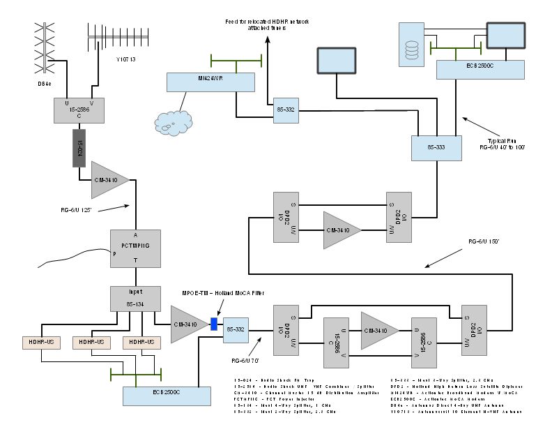
This drawing illustrates the final as-built that I designed and recently finished building for a close family member. The network integrates OTA TV signals from two antennas and Ethernet data on coax (using MoCA modems).

http://forum.tvfool.com/attachment.p...1&d=1379489144 The attached PDF is a higher resolution version of the same drawing.

This TVFR is close to the site, but honoring the system owners desire for privacy, it's not exact. As you see, the predicated signal levels are very strong. If not for tall, dense trees surrounding the location, smaller antennas could have been specified. If not for unusually long cable runs, little or no amplification would have been needed either.

The long cable runs include an underground run between two buildings, hence the addition of Ethernet over coax (MoCA) that extends Internet and home LAN service to the outbuilding who's roof serves as the mounting site for the antennas.

The first CM-3410 amplifier, UVSJ and FM trap are housed in a CableGuard CG-1000XL Coax Demarcation Enclosure mounted on the mast with the antennas. This amplifier is effectively operating as a preamplifier given it's location relative to the antennas. The remaining amplifiers are spaced so as to have enough upstream loss as to be driven by roughly 0 dB rel signal levels. For example, the first major coax run is 125' of cable from the preamp to the next amplifier. Calculated loss at 550 MHz is approximately 14 dB (6 dB due to cable loss and another 8 dB due to splitter and connectors).

VHF losses are nearly half that of UHF losses and therefor less amplification is needed over the full length of installed cable. To reduce the VHF gain in the system, I bypassed the third CM-3410 in the system. This is accomplished with the help of off-the-shelf UHF/VHF splitter/combiners.

MoCA signals are bidirectional so a one way amplifier will block the signal in one direction, unless the signal can bypass the one way devise. This is accomplished by using high performance satellite diplexers (Holland model DPD2). The Actiontec MoCA modems are able to operate with 68 dB attenuation between modems (at reduced throughput). This system came up and ran at > 200 Mb/s modem to modem which suggests the modem to modem loss at 1.350 GHz is just over 50 dB, based on the manufactures documentation. Ethernet throughput is 100 Mb/s full duplex throughout the LAN. To be certain no MoCA signals 'leak' into the air, a MoCA band stop filter was added. Note also, that all splitters that carry MoCA signals are spec'd with 2.3 GHz bandwidth so that MoCA frequency range is not attenuated excessively in the splitters.

Based on the signal quality values reported by the SiliconDust HDHR tuners I estimate the net noise margin was reduced by about 6 dB after transiting through the four CM-3410 amplifiers. I was quite pleased that the signal on real CH-8 is reliable at the end of the line, despite the adjacent channel signal from CH-9 which is 20 dB stronger (another reason I spec'd the Y10713). My testing has left me certain that adding any more gain to the system (or removing any loss) would lead to overloading an amplifier or tuner. I've also found that removal of any gain make the weak signal form real CH-8 unreliable

For those of you who have heard me repeat the 'rule of thumb' - "One amplifier can be too many. Two amplifiers ARE too many"... Yes, there are exceptions. From what I've observed as I built, tested and tuned this system, I seriously doubt that weak signals (signal digit NM on the TVFR) would have a realistic chance of surviving the trip from antenna to TV in this system due to the fairly high net noise figure introduced by the amplifiers. The tall (>100') Douglas Fir and Western Red Cedar in the area are not helping either.

Not shown in the drawing, is a third antenna and preamp (91XG & TVPRAMP1R) aimed at KVOS and KBCB. Because network attached tuners terminate that down lead, therefor avoiding the DA noise, it's hard to justify spending $100 or more on custom channel filter/combiners to insert one or both channels into the system. As long as KBCB is just shopping and Spanish language programing the viewers aren't clamoring for it to be on all traditional TV's in the house. MeTV network on KVOS may be a different story, stay tuned...

http://forum.tvfool.com/attachment.p...1&d=1379733241(A typical 'sunny' day in the NW)


All times are GMT. The time now is 12:52 AM.

Powered by vBulletin® Version 3.8.11
Copyright ©2000 - 2025, vBulletin Solutions Inc.
Copyright © TV Fool, LLC